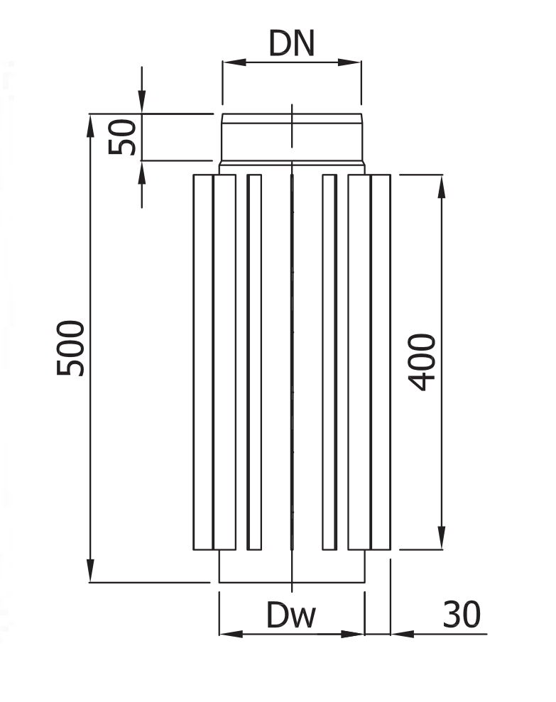
Труба-радиатор 0,5 d250
000dab4272b9
Доставка в Пермь
Удобство оплаты
Почему звонить в Очаг уже сейчас?
- Единая цена по всей России
- Бесплатная доставка
- Понимаем любой бюджет
- Считаем ВСЕ варианты
- Инструкции и видео для Монтажа
- Доступно, Оперативно, Профессионально
- Более 2 000 монтажей за 17 лет
Примеры работ #Степан_Знает
Видео галерея
Описание
Характеристики
Общие
Производитель:
Страна-производитель:
Польша
Внутренний диаметр:
250 мм
Материал дымохода:
Сталь
Применение дымохода:
Подключение каминов и печей
Тип элемента дымохода:
Толщина стенки:
2 мм
Марка стали:
DC01












