Каминная топка Schmid Lina 4580 h
e3573b5e28f8
Доставка в Пермь
Удобство оплаты
Почему звонить в Очаг уже сейчас?
- Единая цена по всей России
- Бесплатная доставка
- Понимаем любой бюджет
- Считаем ВСЕ варианты
- Инструкции и видео для Монтажа
- Доступно, Оперативно, Профессионально
- Более 2 000 монтажей за 17 лет
Примеры работ #Степан_Знает
Видео галерея
Описание
Характеристики
Общие
Производитель:
Страна-производитель:
Германия
Остекление:
Материал корпуса:
Материал топки:
- Шамот
Конструкция топки:
Стекло с подъемом вверх:
Да
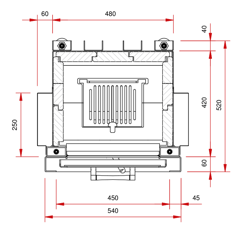
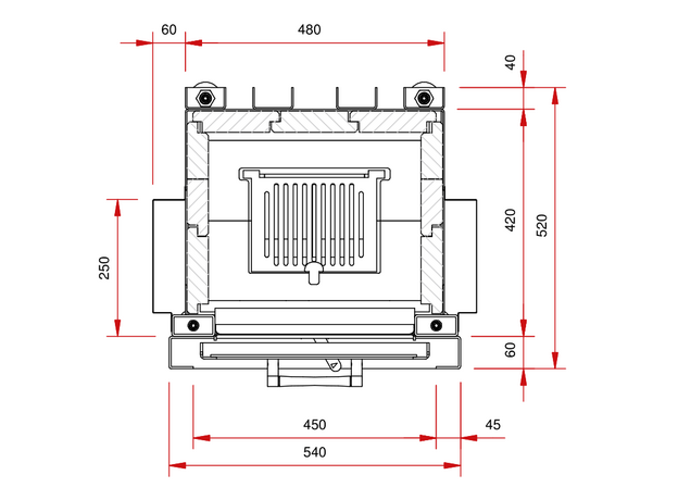
Размеры
Диаметр дымохода:
180 мм
Общая ширина:
540 мм
Общая глубина:
520 мм
Общая высота:
1565 мм
Общий вес:
230 кг
Высота рамки:
800 мм
Ширина рамки:
450 мм
Производительность
Мощность:
7 кВт
КПД:
78%
Площадь отопления:
70 м²
Объем отопления:
175 м³
Использование для отопления:












