Каминная топка Spartherm Varia 1V57
0fd493e62fc6
Доставка в Пермь
Удобство оплаты
Почему звонить в Очаг уже сейчас?
- Единая цена по всей России
- Бесплатная доставка
- Понимаем любой бюджет
- Считаем ВСЕ варианты
- Инструкции и видео для Монтажа
- Доступно, Оперативно, Профессионально
- Более 2 000 монтажей за 17 лет
Примеры работ #Степан_Знает
Видео галерея
Описание
Характеристики
Общие
Производитель:
Страна-производитель:
Германия
Остекление:
Материал корпуса:
Материал топки:
- Керамика
Конструкция топки:
Стекло с подъемом вверх:
Нет
Боковое стекло:
Нет
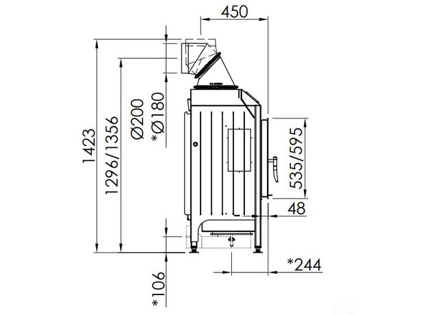
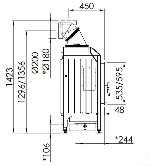
Размеры
Диаметр дымохода:
200 мм
Общая ширина:
765 мм
Общая глубина:
558 мм
Общая высота:
1423 мм
Общий вес:
225 кг
Ширина рамки:
674 мм
Производительность
Мощность:
11 кВт
КПД:
80%
Площадь отопления:
110 м²
Объем отопления:
275 м³
Использование для отопления:












