Каминная топка Spartherm Varia 2L80H
241db1ada373
Доставка в Пермь
Удобство оплаты
Почему звонить в Очаг уже сейчас?
- Единая цена по всей России
- Бесплатная доставка
- Понимаем любой бюджет
- Считаем ВСЕ варианты
- Инструкции и видео для Монтажа
- Доступно, Оперативно, Профессионально
- Более 2 000 монтажей за 17 лет
Примеры работ #Степан_Знает
Видео галерея
Описание
Характеристики
Общие
Производитель:
Страна-производитель:
Германия
Остекление:
Материал корпуса:
Материал топки:
- Керамика
Конструкция топки:
Стекло с подъемом вверх:
Да
Боковое стекло:
Слева
Размеры
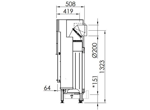
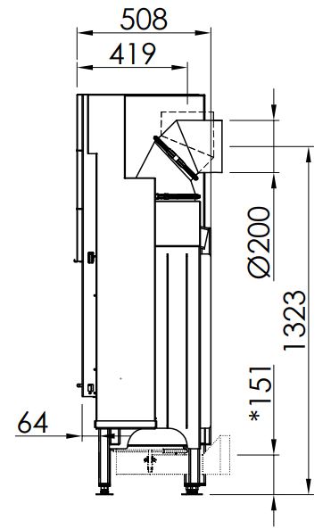
Диаметр дымохода:
200 мм
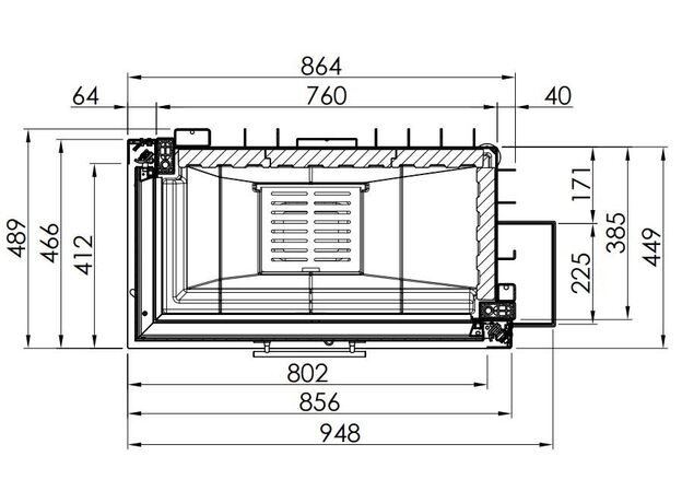
Общая ширина:
948 мм
Общая глубина:
489 мм
Общая высота:
1523 мм
Ширина рамки:
802 мм
Производительность
Мощность:
10,4 кВт
КПД:
80%
Площадь отопления:
110 м²
Объем отопления:
275 м³
Использование для отопления:












